专利数据库
统计分析
产业报告
专利数据监控
产业人才
行业动态
产业政策法规
维权援助
个人中心
详情
文本
图像
标题
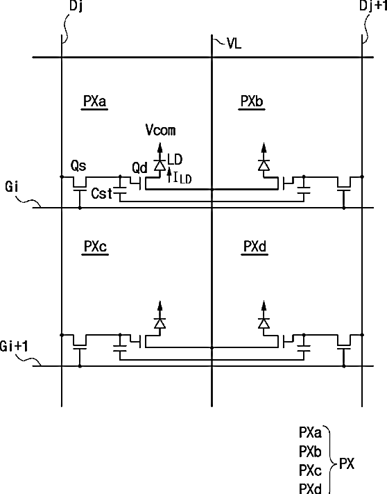
OLED display
授权日
1900-01-01
公开(公告)号
US20080007492A1
申请日
2006-11-17
公开(公告)日
2008-01-10
当前申请(专利权)人
SAMSUNG DISPLAY CO., LTD.
发明人
KOH, BYUNG-SIK | KIM, NAM-DEOG | CHOI, BEOHM-ROCK | ROH, KYENG-EUN | JUNG, KWANG-CHUL | CHOI, JOON-HOO | HUH, JONG-MOO | PARK, SEUNG-KYU | GOH, JOON-CHUL | YOON, YOUNG-SOO
简单同族
JP2007140530A | JP2007140530A5 | JP5269305B2 | US20080007492A1 | US8022900
简单同族成员数量
5
简单同族被引用专利总数
73
诉讼案件数
0
法律状态/事件
授权 | 权利转移
抱歉,您的浏览器不支持PDF预览,请点击链接下载PDF文件