专利数据库
统计分析
产业报告
专利数据监控
产业人才
行业动态
产业政策法规
维权援助
个人中心
详情
文本
图像
标题
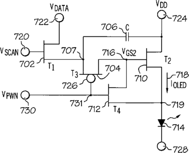
Active matrix organic light emitting diode display
授权日
2016-11-08
公开(公告)号
US9489886
申请日
2008-04-22
公开(公告)日
2016-11-08
当前申请(专利权)人
HONEYWELL INTERNATIONAL INC.
发明人
SARMA, KALLURI R. | ROUSH, JERRY A. | SCHMIDT, JOHN
简单同族
CN101147185A | CN104778918A | CN104778918B | EP1846910A1 | EP1846910B1 | JP2008529083A | JP5203716B2 | KR101258857B1 | KR1020070099003A | TW200703215A | TWI413068B | US10089927 | US20060164345A1 | US20080284693A1 | US20170025064A1 | US9489886 | WO2006081061A1
简单同族成员数量
17
简单同族被引用专利总数
66
诉讼案件数
0
法律状态/事件
授权
抱歉,您的浏览器不支持PDF预览,请点击链接下载PDF文件