专利数据库
统计分析
产业报告
专利数据监控
产业人才
行业动态
产业政策法规
维权援助
个人中心
详情
文本
图像
标题
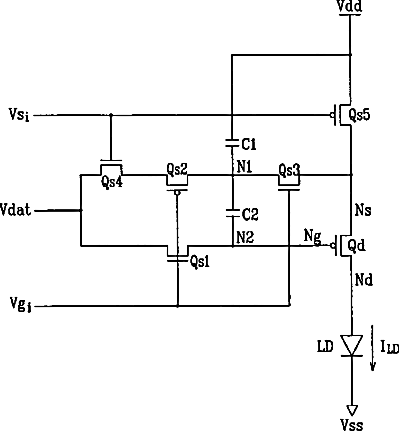
Organic light emitting diode display device and driving method thereof
授权日
2010-03-30
公开(公告)号
US7688292
申请日
2006-03-09
公开(公告)日
2010-03-30
当前申请(专利权)人
SAMSUNG DISPLAY CO., LTD.
发明人
PARK, KEE-CHAN | MAENG, HO-SUK | PARK, SEONG-IL | KIM, CHEOL-MIN | KIM, CHI-WOO | JOO, SOONG-YONG | KIM, IL-GON
简单同族
CN1835058A | CN1835058B | JP2006259737A | JP4728849B2 | KR101152120B1 | KR1020060100963A | TW200703210A | US20060221662A1 | US7688292
简单同族成员数量
9
简单同族被引用专利总数
109
诉讼案件数
0
法律状态/事件
授权 | 权利转移
抱歉,您的浏览器不支持PDF预览,请点击链接下载PDF文件