专利数据库
统计分析
产业报告
专利数据监控
产业人才
行业动态
产业政策法规
维权援助
个人中心
详情
文本
图像
标题
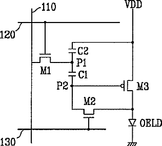
Organic electroluminescent display and driving method thereof
授权日
2008-10-28
公开(公告)号
US7443366
申请日
2002-09-19
公开(公告)日
2008-10-28
当前申请(专利权)人
SAMSUNG DISPLAY CO., LTD.
发明人
CHOI, BEOHM-RAK | CHOI, JOON-HOO | CHAE, CHONG-CHUL | MIN, WOONG-KYU | SHIN, KYONG-JU
简单同族
AU2002329105A1 | CN100380423C | CN1623178A | JP2005520191A | JP4326965B2 | KR100870004B1 | KR1020030073116A | US20050156829A1 | US7443366 | WO2003077229A1
简单同族成员数量
10
简单同族被引用专利总数
123
诉讼案件数
0
法律状态/事件
授权 | 权利转移
抱歉,您的浏览器不支持PDF预览,请点击链接下载PDF文件