专利数据库
统计分析
产业报告
专利数据监控
产业人才
行业动态
产业政策法规
维权援助
个人中心
详情
文本
图像
标题
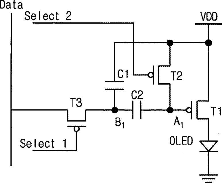
Driving current of organic light emitting display and method of driving the same
授权日
1900-01-01
公开(公告)号
US20060022605A1
申请日
2005-06-27
公开(公告)日
2006-02-02
当前申请(专利权)人
LG DISPLAY CO., LTD.
发明人
HA, YONG MIN | KIM, JUNG CHUL | HUH, JIN
简单同族
KR101103868B1 | KR1020060010988A | US20060022605A1 | US7646366
简单同族成员数量
4
简单同族被引用专利总数
46
诉讼案件数
0
法律状态/事件
授权 | 权利转移
抱歉,您的浏览器不支持PDF预览,请点击链接下载PDF文件