专利数据库
统计分析
产业报告
专利数据监控
产业人才
行业动态
产业政策法规
维权援助
个人中心
详情
文本
图像
标题
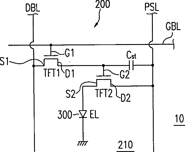
Organic light emitting diode display device and fabricating method thereof
授权日
1900-01-01
公开(公告)号
US20050242745A1
申请日
2005-04-20
公开(公告)日
2005-11-03
当前申请(专利权)人
SAMSUNG DISPLAY CO., LTD
发明人
JUNG, KWAN-WOOK
简单同族
KR101054341B1 | KR1020050104955A | US20050242745A1 | US7705817
简单同族成员数量
4
简单同族被引用专利总数
49
诉讼案件数
0
法律状态/事件
授权 | 权利转移
抱歉,您的浏览器不支持PDF预览,请点击链接下载PDF文件