专利数据库
统计分析
产业报告
专利数据监控
产业人才
行业动态
产业政策法规
维权援助
个人中心
详情
文本
图像
标题
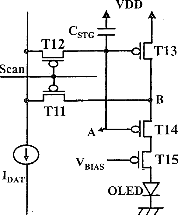
Picture element structure of current programming method type active matrix organic emitting diode display and driving method of data line
授权日
1900-01-01
公开(公告)号
US20060145989A1
申请日
2006-02-09
公开(公告)日
2006-07-06
当前申请(专利权)人
SEOUL NATIONAL UNIVERSITY INDUSTRY FOUNDATION
发明人
HAN, MIN-KOO | LEE, JAE-HOON | NAM, WOO-JIN
简单同族
US20060145989A1 | US20090153459A9 | US8427398 | WO2006059813A1
简单同族成员数量
4
简单同族被引用专利总数
52
诉讼案件数
0
法律状态/事件
授权 | 权利转移
抱歉,您的浏览器不支持PDF预览,请点击链接下载PDF文件