专利数据库
统计分析
产业报告
专利数据监控
产业人才
行业动态
产业政策法规
维权援助
个人中心
详情
文本
图像
标题
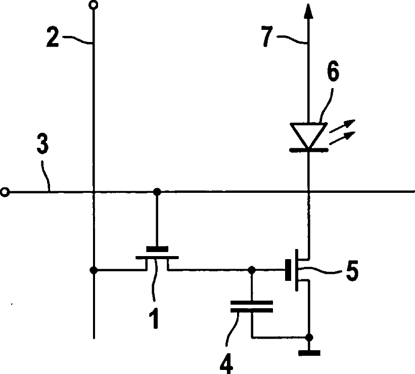
Pixel for an active matrix display
授权日
1900-01-01
公开(公告)号
US20050179399A1
申请日
2005-01-12
公开(公告)日
2005-08-18
当前申请(专利权)人
NOVALED AG
发明人
LEO, KARL | SCHNEIDER, OLIVER
简单同族
CA2492222A1 | CN1655210A | DE102004002587A1 | DE102004002587B4 | EP1555701A2 | EP1555701A3 | HK1079339A | JP2005251730A | KR100713963B1 | KR1020050075711A | TW200525472A | TWI300915B | US20050179399A1
简单同族成员数量
13
简单同族被引用专利总数
51
诉讼案件数
0
法律状态/事件
撤回 | 权利转移
抱歉,您的浏览器不支持PDF预览,请点击链接下载PDF文件