专利数据库
统计分析
产业报告
专利数据监控
产业人才
行业动态
产业政策法规
维权援助
个人中心
详情
文本
图像
标题
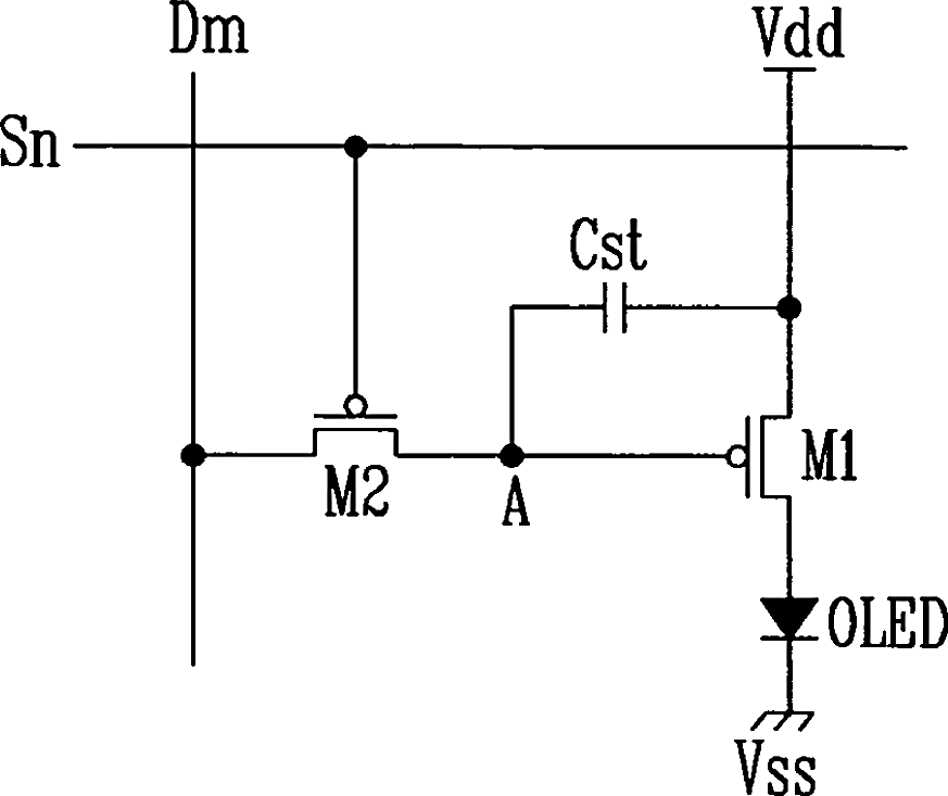
Organic light emitting display and method of fabricating the same
授权日
1900-01-01
公开(公告)号
US20060132055A1
申请日
2005-12-07
公开(公告)日
2006-06-22
当前申请(专利权)人
SAMSUNG MOBILE DISPLAY CO., LTD.
发明人
KWAK, WON KYU
简单同族
CN100525566C | CN1787706A | JP2006163384A | JP4838571B2 | KR100698697B1 | KR1020060065083A | US20060132055A1
简单同族成员数量
7
简单同族被引用专利总数
55
诉讼案件数
0
法律状态/事件
撤回 | 权利转移
抱歉,您的浏览器不支持PDF预览,请点击链接下载PDF文件