专利数据库
统计分析
产业报告
专利数据监控
产业人才
行业动态
产业政策法规
维权援助
个人中心
详情
文本
图像
标题
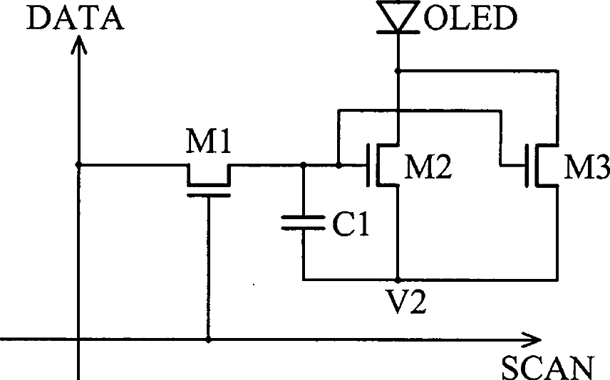
OLED display and pixel structure thereof
授权日
1900-01-01
公开(公告)号
US20040246209A1
申请日
2004-03-10
公开(公告)日
2004-12-09
当前申请(专利权)人
AU OPTRONICS CORP.
发明人
SUNG, CHIH-FENG
简单同族
TW200428688A | TWI302044B | US20040246209A1 | US7253815
简单同族成员数量
4
简单同族被引用专利总数
46
诉讼案件数
0
法律状态/事件
授权 | 权利转移
抱歉,您的浏览器不支持PDF预览,请点击链接下载PDF文件