专利数据库
统计分析
产业报告
专利数据监控
产业人才
行业动态
产业政策法规
维权援助
个人中心
详情
文本
图像
标题
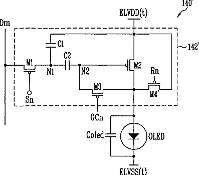
Organic light emitting display device having two power drivers for supplying different powers, and driving method thereof
授权日
2013-12-24
公开(公告)号
US8614657
申请日
2010-12-09
公开(公告)日
2013-12-24
当前申请(专利权)人
SAMSUNG DISPLAY CO., LTD.
发明人
HAN, SANG-MYEON | LEE, BAEK-WOON
简单同族
KR101082234B1 | US20110279484A1 | US20140071110A1 | US8614657
简单同族成员数量
4
简单同族被引用专利总数
54
诉讼案件数
0
法律状态/事件
授权 | 权利转移
抱歉,您的浏览器不支持PDF预览,请点击链接下载PDF文件