专利数据库
统计分析
产业报告
专利数据监控
产业人才
行业动态
产业政策法规
维权援助
个人中心
详情
文本
图像
标题
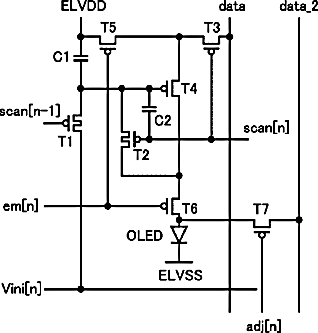
Active matrix substrate, display device, and organic EL display device
授权日
2014-07-22
公开(公告)号
US8786526
申请日
2010-04-02
公开(公告)日
2014-07-22
当前申请(专利权)人
SHARP KABUSHIKI KAISHA
发明人
NOGUCHI, NOBORU
简单同族
US20120127220A1 | US8786526 | WO2011013409A1
简单同族成员数量
3
简单同族被引用专利总数
51
诉讼案件数
0
法律状态/事件
授权 | 权利转移
抱歉,您的浏览器不支持PDF预览,请点击链接下载PDF文件