专利数据库
统计分析
产业报告
专利数据监控
产业人才
行业动态
产业政策法规
维权援助
个人中心
详情
文本
图像
标题
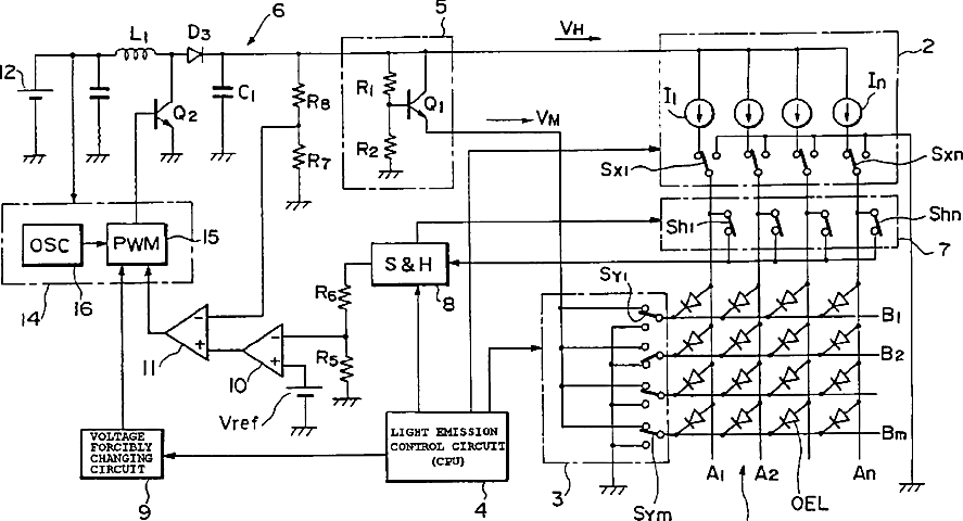
Drive method of light-emitting display panel and organic EL display device
授权日
2006-08-08
公开(公告)号
US7088319
申请日
2002-09-25
公开(公告)日
2006-08-08
当前申请(专利权)人
TOHOKU PIONEER CORPORATION
发明人
YOSHIDA, TAKAYOSHI | MURAKATA, MASAKI
简单同族
CN1441399A | EP1341147A2 | EP1341147A3 | JP2003255894A | JP3854173B2 | TW200303510A | TWI235982B | US20030160744A1 | US7088319
简单同族成员数量
9
简单同族被引用专利总数
77
诉讼案件数
0
法律状态/事件
未缴年费 | 权利转移
抱歉,您的浏览器不支持PDF预览,请点击链接下载PDF文件