专利数据库
统计分析
产业报告
专利数据监控
产业人才
行业动态
产业政策法规
维权援助
个人中心
详情
文本
图像
标题
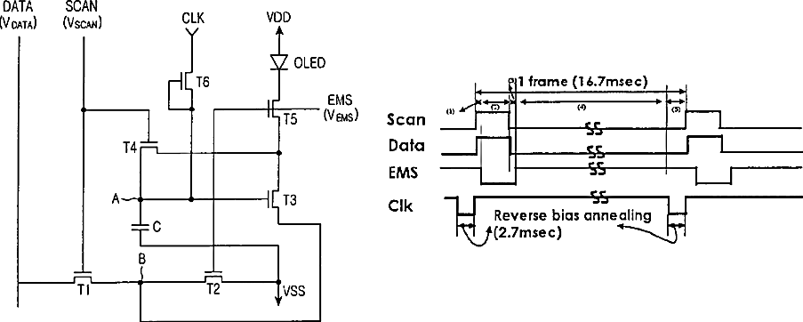
Pixel structure using voltage programming-type for active matrix organic light emitting device
授权日
2011-01-18
公开(公告)号
US7872620
申请日
2006-04-27
公开(公告)日
2011-01-18
当前申请(专利权)人
SEOUL NATIONAL UNIVERSITY INDUSTRY FOUNDATION
发明人
HAN, MIN-KOO | LEE, JAE-HOON
简单同族
US20060256057A1 | US7872620
简单同族成员数量
2
简单同族被引用专利总数
50
诉讼案件数
0
法律状态/事件
授权 | 权利转移
抱歉,您的浏览器不支持PDF预览,请点击链接下载PDF文件