专利数据库
统计分析
产业报告
专利数据监控
产业人才
行业动态
产业政策法规
维权援助
个人中心
详情
文本
图像
标题
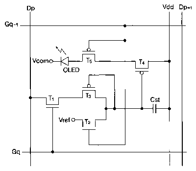
Organic light emitting display device and method of fabricating the same
授权日
2007-05-29
公开(公告)号
US7224334
申请日
2003-09-22
公开(公告)日
2007-05-29
当前申请(专利权)人
SAMSUNG DISPLAY CO., LTD.
发明人
CHOI, JOON-HOO | CHAI, CHONG-CHUL | CHOI, BEOHM-ROCK
简单同族
CN100354908C | CN1510652A | JP2004118196A | JP4854177B2 | KR100906964B1 | KR1020040029242A | TW200414818A | TWI333390B | US20040056828A1 | US20080106208A1 | US7224334
简单同族成员数量
11
简单同族被引用专利总数
138
诉讼案件数
0
法律状态/事件
授权 | 权利转移
抱歉,您的浏览器不支持PDF预览,请点击链接下载PDF文件