专利数据库
统计分析
产业报告
专利数据监控
产业人才
行业动态
产业政策法规
维权援助
个人中心
详情
文本
图像
标题
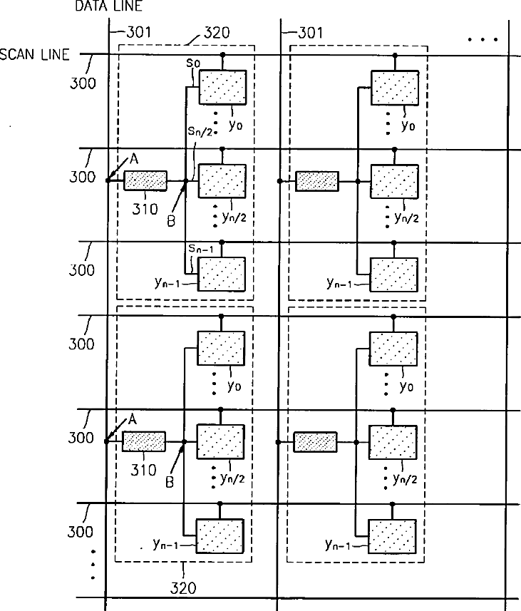
Active matrix organic light emitting diode display panel circuit
授权日
1900-01-01
公开(公告)号
US20040051685A1
申请日
2002-12-31
公开(公告)日
2004-03-18
当前申请(专利权)人
UNILOC 2017 LLC
发明人
CHUNG, CHOONG-HEUI | HWANG, CHI-SUN | SONG, YOON-HO | LEE, JIN-HO
简单同族
KR100450761B1 | KR1020040024398A | US20040051685A1 | US6970149
简单同族成员数量
4
简单同族被引用专利总数
88
诉讼案件数
0
法律状态/事件
授权 | 权利转移
抱歉,您的浏览器不支持PDF预览,请点击链接下载PDF文件