专利数据库
统计分析
产业报告
专利数据监控
产业人才
行业动态
产业政策法规
维权援助
个人中心
详情
文本
图像
标题
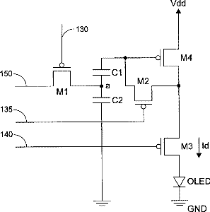
Pixel driving circuit and method for use in active matrix OLED with threshold voltage compensation
授权日
2008-01-08
公开(公告)号
US7317435
申请日
2004-05-10
公开(公告)日
2008-01-08
当前申请(专利权)人
INNOLUX CORPORATION
发明人
HSUEH, WEI-CHIEH
简单同族
TW200511183A | TWI273541B | US20050052377A1 | US7317435
简单同族成员数量
4
简单同族被引用专利总数
140
诉讼案件数
0
法律状态/事件
授权 | 权利转移
抱歉,您的浏览器不支持PDF预览,请点击链接下载PDF文件