专利数据库
统计分析
产业报告
专利数据监控
产业人才
行业动态
产业政策法规
维权援助
个人中心
详情
文本
图像
标题
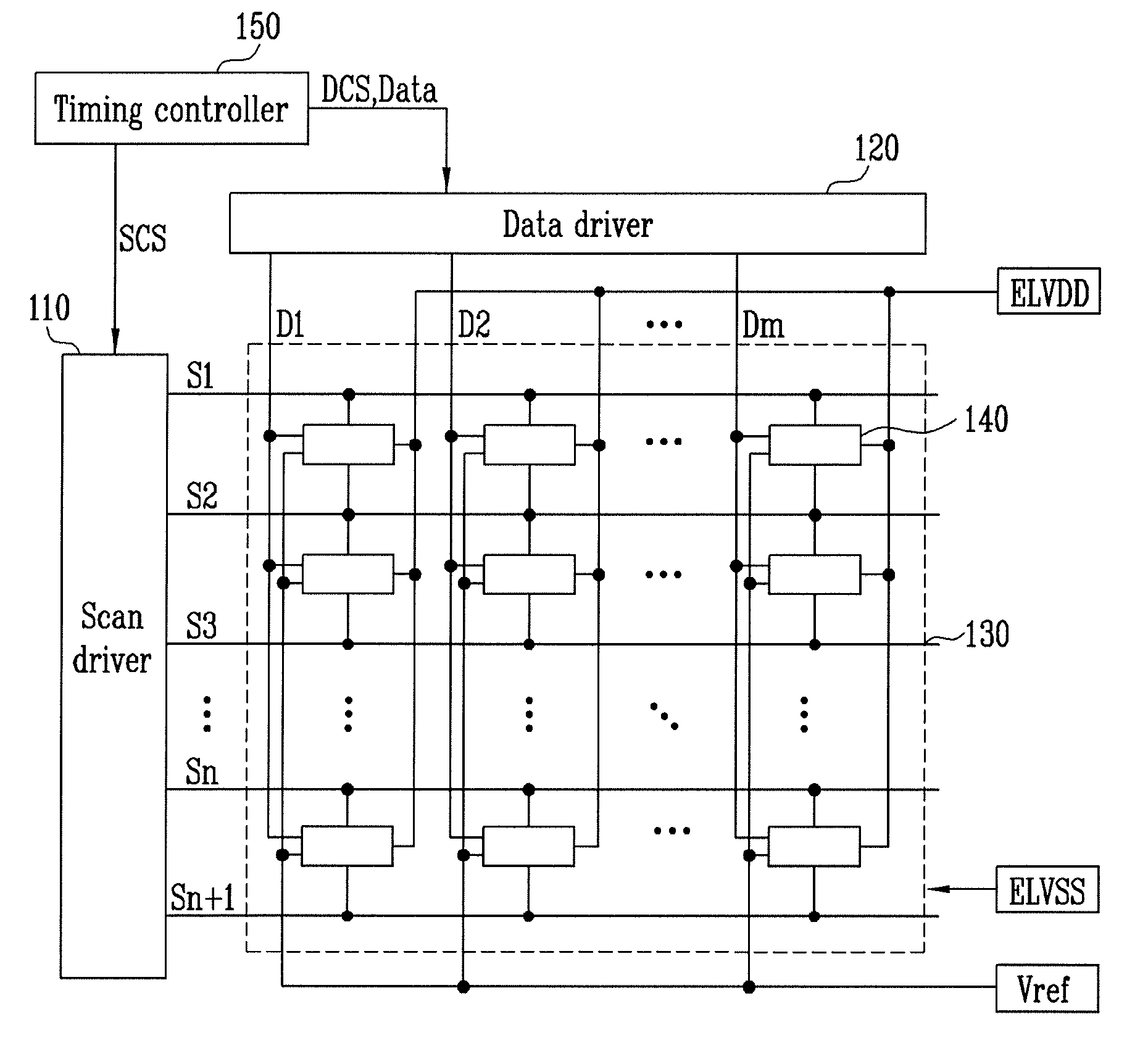
Organic light emitting display device and method of driving the same
授权日
1900-01-01
公开(公告)号
US20100127956A1
申请日
2009-10-21
公开(公告)日
2010-05-27
当前申请(专利权)人
SAMSUNG DISPLAY CO., LTD.
发明人
KANG, CHUL-KYU | CHOI, SANG-MOO | KIM, KEUM-NAM
简单同族
CN101739947A | CN101739947B | EP2192571A2 | EP2192571A3 | EP2192571B1 | JP2010128491A | JP5064421B2 | KR100986915B1 | KR1020100059318A | US20100127956A1 | US8654041
简单同族成员数量
11
简单同族被引用专利总数
50
诉讼案件数
0
法律状态/事件
未缴年费 | 权利转移
抱歉,您的浏览器不支持PDF预览,请点击链接下载PDF文件