专利数据库
统计分析
产业报告
专利数据监控
产业人才
行业动态
产业政策法规
维权援助
个人中心
详情
文本
图像
标题
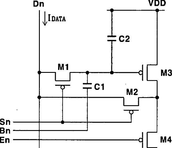
Organic electro luminescent display panel and fabricating method thereof
授权日
1900-01-01
公开(公告)号
US20050264228A1
申请日
2005-05-24
公开(公告)日
2005-12-01
当前申请(专利权)人
SAMSUNG DISPLAY CO., LTD.
发明人
KIM, KEUM-NAM
简单同族
CN100446295C | CN1703127A | JP2005338781A | JP4150012B2 | KR100637458B1 | KR1020050113694A | US20050264228A1 | US7184006
简单同族成员数量
8
简单同族被引用专利总数
52
诉讼案件数
0
法律状态/事件
授权 | 权利转移
抱歉,您的浏览器不支持PDF预览,请点击链接下载PDF文件