专利数据库
统计分析
产业报告
专利数据监控
产业人才
行业动态
产业政策法规
维权援助
个人中心
详情
文本
图像
标题
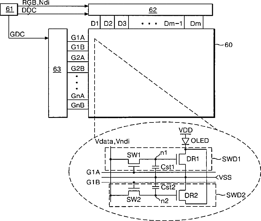
Organic light emitting diode display device and driving method thereof
授权日
1900-01-01
公开(公告)号
US20080284691A1
申请日
2008-05-08
公开(公告)日
2008-11-20
当前申请(专利权)人
LG DISPLAY CO., LTD.
发明人
CHUNG, INJAE | KIM, KIYONG | JANG, CHULSANG | JOO, INSU | NAM, WOOJIN
简单同族
KR101352175B1 | KR1020080099380A | US20080284691A1 | US20140111566A1 | US8686925 | US9135854
简单同族成员数量
6
简单同族被引用专利总数
59
诉讼案件数
0
法律状态/事件
授权 | 权利转移
抱歉,您的浏览器不支持PDF预览,请点击链接下载PDF文件