专利数据库
统计分析
产业报告
专利数据监控
产业人才
行业动态
产业政策法规
维权援助
个人中心
详情
文本
图像
标题
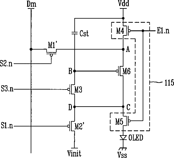
Organic light emitting display
授权日
2007-02-20
公开(公告)号
US7180486
申请日
2005-08-15
公开(公告)日
2007-02-20
当前申请(专利权)人
SAMSUNG DISPLAY CO., LTD.
发明人
JEONG, JIN TAE
简单同族
CN1744774A | CN1744774B | JP2006065282A | JP4188930B2 | KR100673759B1 | KR1020060019757A | US20060055336A1 | US7180486
简单同族成员数量
8
简单同族被引用专利总数
167
诉讼案件数
0
法律状态/事件
授权 | 权利转移
抱歉,您的浏览器不支持PDF预览,请点击链接下载PDF文件