专利数据库
统计分析
产业报告
专利数据监控
产业人才
行业动态
产业政策法规
维权援助
个人中心
详情
文本
图像
标题
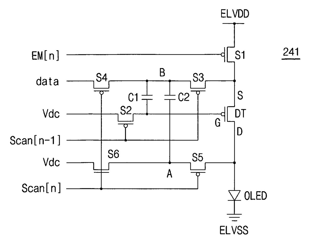
Organic light emitting display having longer life span
授权日
2012-02-21
公开(公告)号
US8120556
申请日
2008-02-27
公开(公告)日
2012-02-21
当前申请(专利权)人
SAMSUNG DISPLAY CO., LTD.
发明人
KIM, YANGWAN
简单同族
CN101256737A | CN101256737B | EP1968039A1 | JP2008216983A | JP5038167B2 | KR100865396B1 | KR1020080080734A | US20080211796A1 | US8120556
简单同族成员数量
9
简单同族被引用专利总数
65
诉讼案件数
0
法律状态/事件
授权 | 权利转移
抱歉,您的浏览器不支持PDF预览,请点击链接下载PDF文件