专利数据库
统计分析
产业报告
专利数据监控
产业人才
行业动态
产业政策法规
维权援助
个人中心
详情
文本
图像
标题
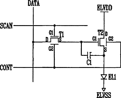
Pixel circuit of a flat panel display device and method of driving the same
授权日
2015-01-06
公开(公告)号
US8928564
申请日
2010-11-11
公开(公告)日
2015-01-06
当前申请(专利权)人
SAMSUNG DISPLAY CO., LTD.
发明人
PARK, DONG-WOOK | IM, KI-JU | KIM, KI-WOOK | MO, YEON-GON | YANG, HUI-WON
简单同族
KR101152575B1 | KR1020110123984A | US20110273419A1 | US8928564
简单同族成员数量
4
简单同族被引用专利总数
64
诉讼案件数
0
法律状态/事件
授权 | 权利转移
抱歉,您的浏览器不支持PDF预览,请点击链接下载PDF文件