专利数据库
统计分析
产业报告
专利数据监控
产业人才
行业动态
产业政策法规
维权援助
个人中心
详情
文本
图像
标题
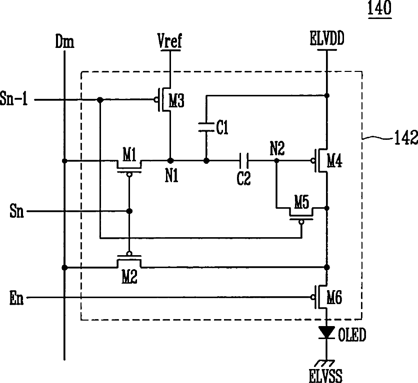
Organic light emitting display
授权日
1900-01-01
公开(公告)号
US20070024541A1
申请日
2006-07-20
公开(公告)日
2007-02-01
当前申请(专利权)人
IUCF-HYU (INDUSTRY-UNIVERSITY COOPERATION FOUNDATION HANYANG UNIVERSITY) | SAMSUNG DISPLAY CO., LTD.
发明人
RYU, DO HYUNG | CHUNG, BO YONG | KWON, OH KYONG
简单同族
CN100454372C | CN1909038A | EP1758083A2 | EP1758083A3 | EP1758083B1 | JP2007041506A | KR100698700B1 | KR1020070015823A | US20070024541A1 | US8593378
简单同族成员数量
10
简单同族被引用专利总数
97
诉讼案件数
0
法律状态/事件
授权 | 权利转移
抱歉,您的浏览器不支持PDF预览,请点击链接下载PDF文件