专利数据库
统计分析
产业报告
专利数据监控
产业人才
行业动态
产业政策法规
维权援助
个人中心
详情
文本
图像
标题
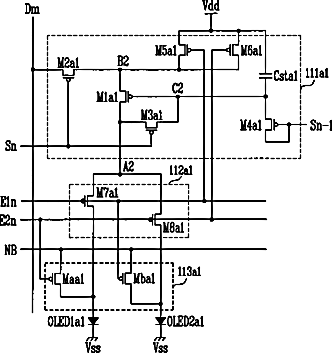
OLED pixel circuit and light emitting display using the same
授权日
2009-07-07
公开(公告)号
US7557784
申请日
2005-11-14
公开(公告)日
2009-07-07
当前申请(专利权)人
SAMSUNG DISPLAY CO., LTD.
发明人
KWAK, WON KYU | PARK, SUNG CHEON
简单同族
CN100481183C | CN1779767A | JP2006146190A | JP4680744B2 | KR100688802B1 | KR1020060056790A | US20060125737A1 | US7557784
简单同族成员数量
8
简单同族被引用专利总数
56
诉讼案件数
0
法律状态/事件
全部撤销 | 复审 | 权利转移
抱歉,您的浏览器不支持PDF预览,请点击链接下载PDF文件