专利数据库
统计分析
产业报告
专利数据监控
产业人才
行业动态
产业政策法规
维权援助
个人中心
详情
文本
图像
标题
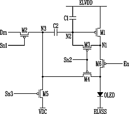
Pixel and organic light emitting display using the same
授权日
2011-07-05
公开(公告)号
US7973746
申请日
2008-06-25
公开(公告)日
2011-07-05
当前申请(专利权)人
SAMSUNG DISPLAY CO., LTD.
发明人
HAN, SAM-IL | JEONG, JIN-TAE
简单同族
KR100897172B1 | KR1020090042006A | US20090108763A1 | US7973746
简单同族成员数量
4
简单同族被引用专利总数
47
诉讼案件数
0
法律状态/事件
授权 | 权利转移
抱歉,您的浏览器不支持PDF预览,请点击链接下载PDF文件