专利数据库
统计分析
产业报告
专利数据监控
产业人才
行业动态
产业政策法规
维权援助
个人中心
详情
文本
图像
标题
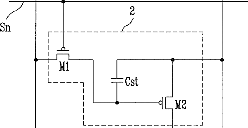
Pixel and organic light emitting display using the same
授权日
1900-01-01
公开(公告)号
US20090225011A1
申请日
2008-12-23
公开(公告)日
2009-09-10
当前申请(专利权)人
SAMSUNG DISPLAY CO., LTD.
发明人
CHOI, SANG-MOO
简单同族
KR100922071B1 | KR1020090096893A | US20090225011A1 | US8194012
简单同族成员数量
4
简单同族被引用专利总数
75
诉讼案件数
0
法律状态/事件
授权 | 权利转移
抱歉,您的浏览器不支持PDF预览,请点击链接下载PDF文件