专利数据库
统计分析
产业报告
专利数据监控
产业人才
行业动态
产业政策法规
维权援助
个人中心
详情
文本
图像
标题
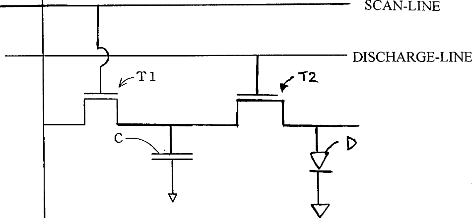
Driving circuit of thin-film transistor electroluminescent display and the operation method thereof
授权日
2002-11-26
公开(公告)号
US6486606
申请日
2000-09-25
公开(公告)日
2002-11-26
当前申请(专利权)人
INNOLUX CORPORATION
发明人
TING, CHIN-LUNG
简单同族
TW466466B | US6486606
简单同族成员数量
2
简单同族被引用专利总数
103
诉讼案件数
0
法律状态/事件
授权 | 权利转移
抱歉,您的浏览器不支持PDF预览,请点击链接下载PDF文件