专利数据库
统计分析
产业报告
专利数据监控
产业人才
行业动态
产业政策法规
维权援助
个人中心
详情
文本
图像
标题
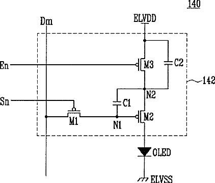
Pixel and organic light emitting display device using the same
授权日
2011-11-08
公开(公告)号
US8054259
申请日
2009-06-12
公开(公告)日
2011-11-08
当前申请(专利权)人
SAMSUNG DISPLAY CO., LTD.
发明人
KIM, YANG-WAN
简单同族
CN101609840A | CN101609840B | EP2136353A1 | JP2009301005A | KR100936883B1 | KR1020090131041A | US20090309503A1 | US8054259
简单同族成员数量
8
简单同族被引用专利总数
49
诉讼案件数
0
法律状态/事件
授权 | 权利转移
抱歉,您的浏览器不支持PDF预览,请点击链接下载PDF文件