专利数据库
统计分析
产业报告
专利数据监控
产业人才
行业动态
产业政策法规
维权援助
个人中心
详情
文本
图像
标题
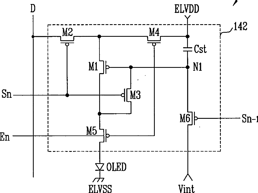
Pixel and organic light emitting display using the same
授权日
1900-01-01
公开(公告)号
US20080036704A1
申请日
2007-01-19
公开(公告)日
2008-02-14
当前申请(专利权)人
SAMSUNG DISPLAY CO., LTD.
发明人
KIM, YANG WAN | CHOI, MICHAEL | EOM, KI MYEONG
简单同族
CN101123071A | EP1887553A1 | EP1887553B1 | JP2008040451A | JP5330643B2 | KR100739335B1 | TW200809744A | TWI395182B | US20080036704A1 | US8059071
简单同族成员数量
10
简单同族被引用专利总数
138
诉讼案件数
0
法律状态/事件
授权 | 权利转移
抱歉,您的浏览器不支持PDF预览,请点击链接下载PDF文件