专利数据库
统计分析
产业报告
专利数据监控
产业人才
行业动态
产业政策法规
维权援助
个人中心
详情
文本
图像
标题
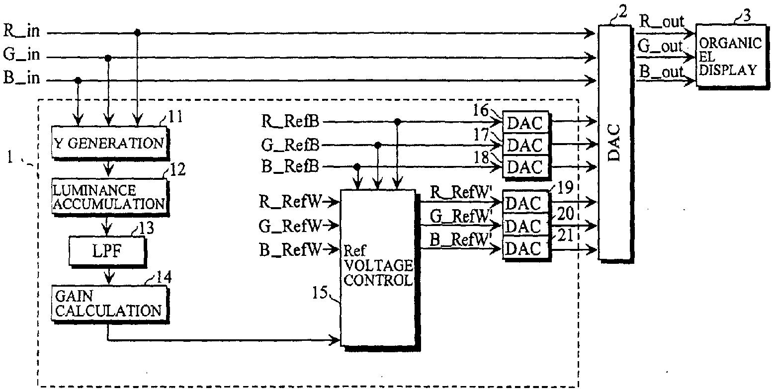
Organic el display luminance control method and luminance control circuit
授权日
1900-01-01
公开(公告)号
EP1469448A4
申请日
2002-12-26
公开(公告)日
2009-04-15
当前申请(专利权)人
PANASONIC INTELLECTUAL PROPERTY CORPORATION OF AME
发明人
MORI, YUKIO, C/O SANYO ELECTRIC CO., LTD. | TANASE, SUSUMU, C/O SANYO ELECTRIC CO., LTD. | YAMASHITA, ATSUHIRO, C/O SANYO ELECTRIC CO., LTD. | INOUE, MASUTAKA, C/O SANYO ELECTRIC CO., LTD. | KINOSHITA, SHIGEO, C/O SANYO ELECTRIC CO., LTD. | MURATA, HARUHIKO, C/O SANYO ELECTRIC CO., LTD.
简单同族
EP1469448A1 | EP1469448A4 | EP1469448B1 | JP2003255901A | US20050083268A1 | US20080084433A1 | US7304654 | WO2003058593A1
简单同族成员数量
8
简单同族被引用专利总数
156
诉讼案件数
0
法律状态/事件
授权 | 权利转移
抱歉,您的浏览器不支持PDF预览,请点击链接下载PDF文件