专利数据库
统计分析
产业报告
专利数据监控
产业人才
行业动态
产业政策法规
维权援助
个人中心
详情
文本
图像
标题
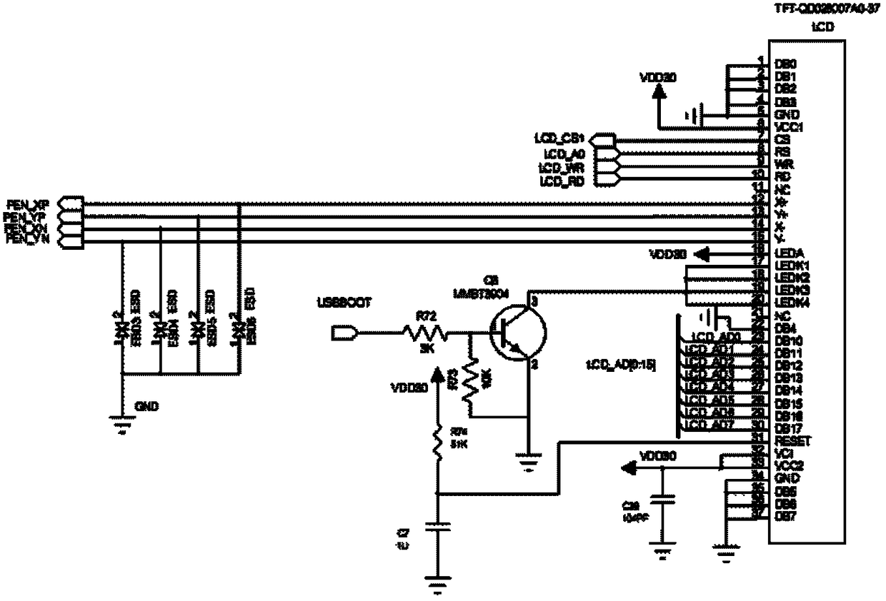
一种学习机显示控制电路
授权日
2012-06-06
公开(公告)号
CN202268155U
申请日
2011-08-24
公开(公告)日
2012-06-06
当前申请(专利权)人
安徽状元郎电子科技有限公司
发明人
蒋智谋 | 胡宝华 | 宁争荣 | 周建华
简单同族
CN202268155U
简单同族成员数量
1
简单同族被引用专利总数
0
诉讼案件数
0
法律状态/事件
未缴年费
抱歉,您的浏览器不支持PDF预览,请点击链接下载PDF文件