专利数据库
统计分析
产业报告
专利数据监控
产业人才
行业动态
产业政策法规
维权援助
个人中心
详情
文本
图像
标题
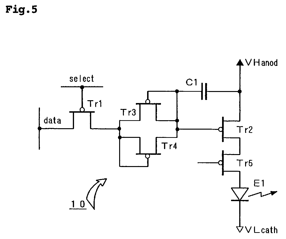
Light emitting active matrix display device
授权日
1900-01-01
公开(公告)号
EP1411489A3
申请日
2003-10-13
公开(公告)日
2007-07-04
当前申请(专利权)人
TOHOKU PIONEER CORP.
发明人
YOSHIDA, TAKAYOSHI
简单同族
EP1411489A2 | EP1411489A3 | JP2004138773A | KR1020040034439A | US20040080475A1 | US7187350
简单同族成员数量
6
简单同族被引用专利总数
51
诉讼案件数
0
法律状态/事件
撤回
抱歉,您的浏览器不支持PDF预览,请点击链接下载PDF文件