专利数据库
统计分析
产业报告
专利数据监控
产业人才
行业动态
产业政策法规
维权援助
个人中心
详情
文本
图像
标题
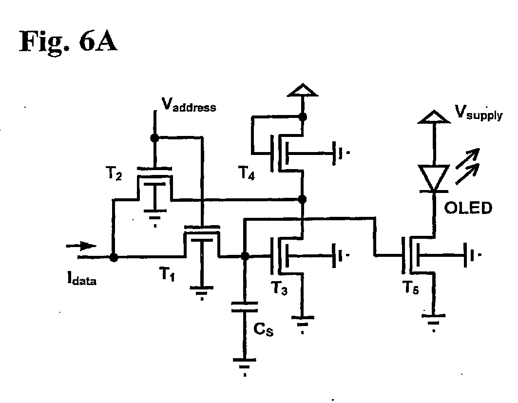
Pixel driver circuit for organic light emitting device
授权日
1900-01-01
公开(公告)号
EP2180508A3
申请日
2002-02-18
公开(公告)日
2012-04-25
当前申请(专利权)人
IGNIS INNOVATION INC.
发明人
NATHAN, AROKIA | SERVATI, PEYMAN | SAKARIYA, KAPIL | KUMAR, ANIL
简单同族
EP1488454A2 | EP1488454B1 | EP2180508A2 | EP2180508A3 | HK1072321A | JP2004531751A | JP4383743B2 | US20040129933A1 | US20060027807A1 | US7414600 | WO2002067327A2 | WO2002067327A3
简单同族成员数量
12
简单同族被引用专利总数
312
诉讼案件数
0
法律状态/事件
撤回 | 权利转移
抱歉,您的浏览器不支持PDF预览,请点击链接下载PDF文件