专利数据库
统计分析
产业报告
专利数据监控
产业人才
行业动态
产业政策法规
维权援助
个人中心
详情
文本
图像
标题
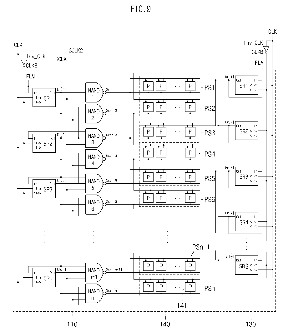
Organic light emitting display
授权日
1900-01-01
公开(公告)号
EP1978503A3
申请日
2008-02-22
公开(公告)日
2009-08-19
当前申请(专利权)人
SAMSUNG DISPLAY CO., LTD.
发明人
KIM, JONGYUN C/O LEGAL & IP TEAM, SAMSUNG SDI CO., LTD.
简单同族
CN101281719A | CN101281719B | EP1978503A2 | EP1978503A3 | EP1978503B1 | JP2008257159A | JP5032234B2 | KR100807062B1 | US20080246697A1 | US8022920
简单同族成员数量
10
简单同族被引用专利总数
79
诉讼案件数
0
法律状态/事件
权利终止 | 权利转移
抱歉,您的浏览器不支持PDF预览,请点击链接下载PDF文件