专利数据库
统计分析
产业报告
专利数据监控
产业人才
行业动态
产业政策法规
维权援助
个人中心
详情
文本
图像
标题
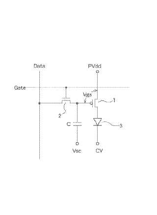
有機EL表示装置
授权日
1900-01-01
公开(公告)号
JP2004271755A
申请日
2003-03-06
公开(公告)日
2004-09-30
当前申请(专利权)人
グローバル·オーエルイーディー·テクノロジー·リミテッド·ライアビリティ·カンパニー
发明人
水越 誠一 | 森 信幸 | 小野村 高一 | 河野 誠
简单同族
JP2004271755A | JP4534031B2 | US20050052350A1 | US7164400
简单同族成员数量
4
简单同族被引用专利总数
59
诉讼案件数
0
法律状态/事件
授权 | 权利转移
抱歉,您的浏览器不支持PDF预览,请点击链接下载PDF文件