专利数据库
统计分析
产业报告
专利数据监控
产业人才
行业动态
产业政策法规
维权援助
个人中心
详情
文本
图像
标题
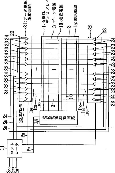
ディスプレイの駆動回路及び表示装置
授权日
1900-01-01
公开(公告)号
JP2002072947A
申请日
2000-08-29
公开(公告)日
2002-03-12
当前申请(专利权)人
三星エスディアイ株式会社
发明人
小田 淳 | 川島 進吾 | 西垣 栄太郎 | 近藤 祐司
简单同族
JP2002072947A | JP3875470B2 | KR100462857B1 | KR1020020018114A | US20020024513A1 | US20050024357A1 | US6788298 | US7239307
简单同族成员数量
8
简单同族被引用专利总数
50
诉讼案件数
0
法律状态/事件
授权 | 权利转移
抱歉,您的浏览器不支持PDF预览,请点击链接下载PDF文件