专利数据库
统计分析
产业报告
专利数据监控
产业人才
行业动态
产业政策法规
维权援助
个人中心
详情
文本
图像
标题
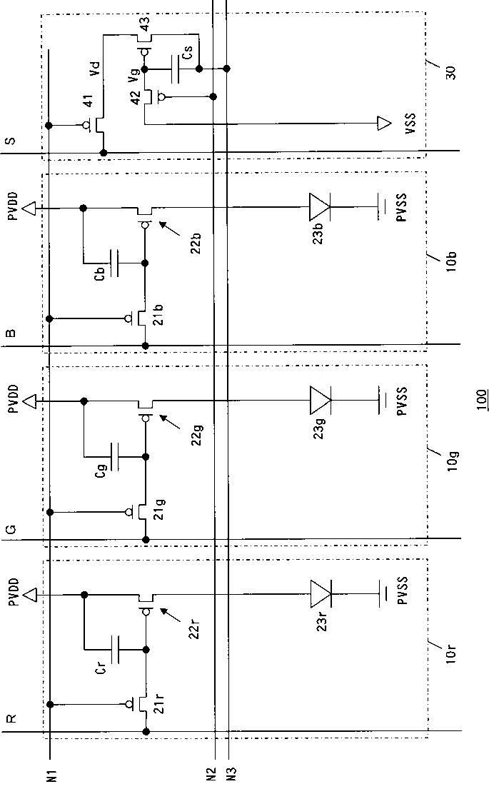
有機EL表示装置
授权日
1900-01-01
公开(公告)号
JP2011237489A
申请日
2010-05-06
公开(公告)日
2011-11-24
当前申请(专利权)人
東芝モバイルディスプレイ株式会社
发明人
羽 成 淳
简单同族
JP2011237489A | US20110273397A1
简单同族成员数量
2
简单同族被引用专利总数
73
诉讼案件数
0
法律状态/事件
驳回
抱歉,您的浏览器不支持PDF预览,请点击链接下载PDF文件