专利数据库
统计分析
产业报告
专利数据监控
产业人才
行业动态
产业政策法规
维权援助
个人中心
详情
文本
图像
标题
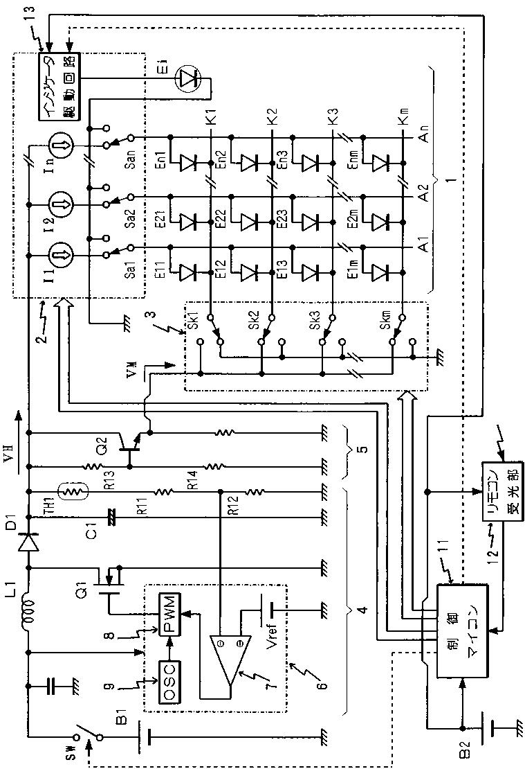
自発光表示装置
授权日
1900-01-01
公开(公告)号
JP2005157202A
申请日
2003-11-28
公开(公告)日
2005-06-16
当前申请(专利权)人
東北パイオニア株式会社
发明人
矢澤 直樹
简单同族
CN1627342A | DE4027404T1 | EP1536404A1 | JP2005157202A | US20050116655A1 | US7042164
简单同族成员数量
6
简单同族被引用专利总数
52
诉讼案件数
0
法律状态/事件
撤回
抱歉,您的浏览器不支持PDF预览,请点击链接下载PDF文件