专利数据库
统计分析
产业报告
专利数据监控
产业人才
行业动态
产业政策法规
维权援助
个人中心
详情
文本
图像
标题
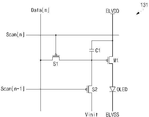
有機電界発光表示装置の電源供給方法
授权日
2014-03-20
公开(公告)号
JP5502813B2
申请日
2011-08-01
公开(公告)日
2014-05-28
当前申请(专利权)人
三星ディスプレイ株式會社
发明人
朴 星 千 | 李 旭
简单同族
CN101425259A | CN101425259B | EP2056282A2 | EP2056282A3 | JP2009109984A | JP2012027474A | JP4913783B2 | JP5502813B2 | KR100894606B1 | US20090109147A1 | US9041626
简单同族成员数量
11
简单同族被引用专利总数
127
诉讼案件数
0
法律状态/事件
授权 | 权利转移
抱歉,您的浏览器不支持PDF预览,请点击链接下载PDF文件