专利数据库
统计分析
产业报告
专利数据监控
产业人才
行业动态
产业政策法规
维权援助
个人中心
详情
文本
图像
标题
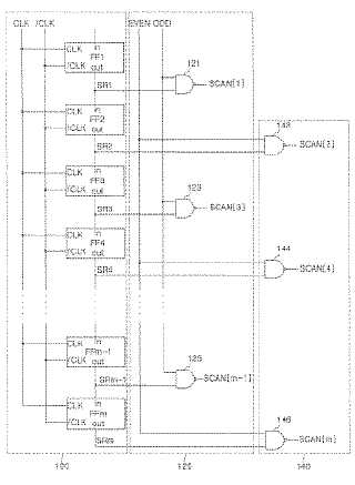
順次走査及び飛び越し走査兼用の駆動回路及びこれを用いた有機電界発光装置
授权日
1900-01-01
公开(公告)号
JP2006154810A
申请日
2005-11-10
公开(公告)日
2006-06-15
当前申请(专利权)人
三星モバイルディスプレイ株式會社
发明人
申 東 蓉
简单同族
DE602005026490D1 | EP1662463A2 | EP1662463A3 | EP1662463B1 | JP2006154810A | JP4594215B2 | US20060152459A1 | US20090231311A1 | US8077168
简单同族成员数量
9
简单同族被引用专利总数
73
诉讼案件数
0
法律状态/事件
未缴年费 | 权利转移
抱歉,您的浏览器不支持PDF预览,请点击链接下载PDF文件