专利数据库
统计分析
产业报告
专利数据监控
产业人才
行业动态
产业政策法规
维权援助
个人中心
详情
文本
图像
标题
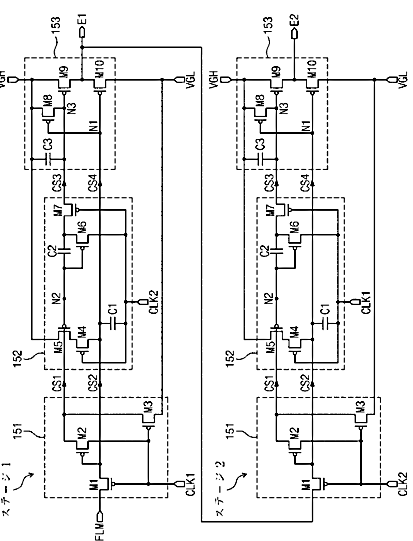
発光制御駆動部及びそれを含む有機発光表示装置
授权日
1900-01-01
公开(公告)号
JP2014041337A
申请日
2013-06-14
公开(公告)日
2014-03-06
当前申请(专利权)人
三星ディスプレイ株式會社
发明人
張 桓 壽
简单同族
CN103632633A | CN103632633B | EP2701142A2 | EP2701142A3 | JP2014041337A | JP5760045B2 | KR101975581B1 | KR1020140025149A | TW201409458A | TWI549115B | US20140055444A1 | US9548026
简单同族成员数量
12
简单同族被引用专利总数
71
诉讼案件数
0
法律状态/事件
授权
抱歉,您的浏览器不支持PDF预览,请点击链接下载PDF文件