专利数据库
统计分析
产业报告
专利数据监控
产业人才
行业动态
产业政策法规
维权援助
个人中心
详情
文本
图像
标题
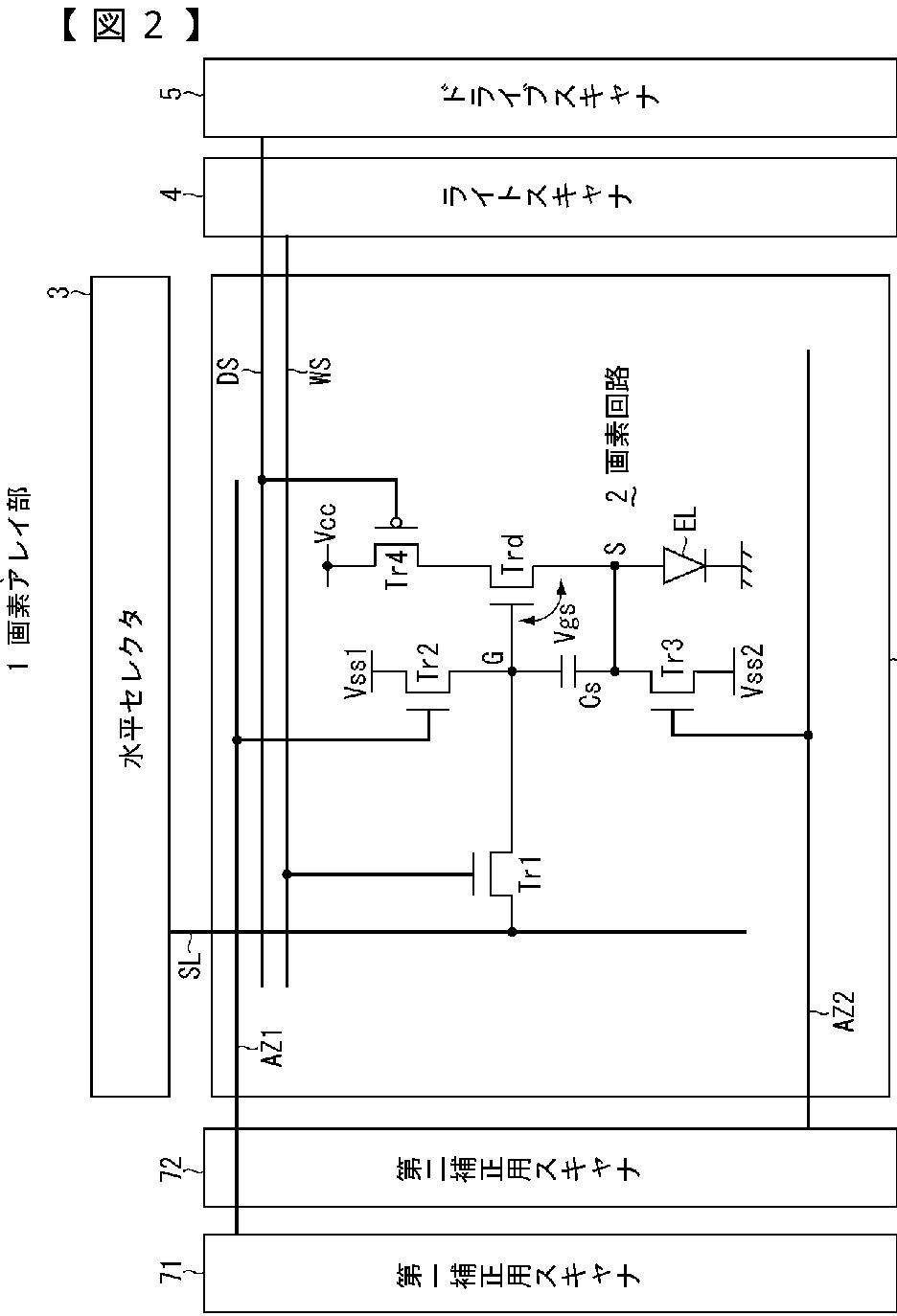
表示装置及びその駆動方法と電子機器
授权日
2009-05-01
公开(公告)号
JP4300490B2
申请日
2007-02-21
公开(公告)日
2009-07-22
当前申请(专利权)人
ソニー株式会社
发明人
山下 淳一 | 冨田 昌嗣 | 内野 勝秀
简单同族
CN101251977A | CN101251977B | JP2008203659A | JP4300490B2 | KR101425892B1 | KR1020080077919A | TW200903417A | US20080198104A1 | US20110096046A1 | US20110279439A1 | US20120120036A1 | US20130127802A1 | US20140035969A1 | US20140175447A1 | US20150129879A1 | US20150287357A1 | US20160111045A1 | US20170098412A1 | US7880695 | US8026874 | US8130178 | US8362982 | US8659584 | US8698711 | US8884851 | US9129925 | US9361829 | US9552772 | US9761174
简单同族成员数量
29
简单同族被引用专利总数
83
诉讼案件数
0
法律状态/事件
授权
抱歉,您的浏览器不支持PDF预览,请点击链接下载PDF文件