专利数据库
统计分析
产业报告
专利数据监控
产业人才
行业动态
产业政策法规
维权援助
个人中心
详情
文本
图像
标题
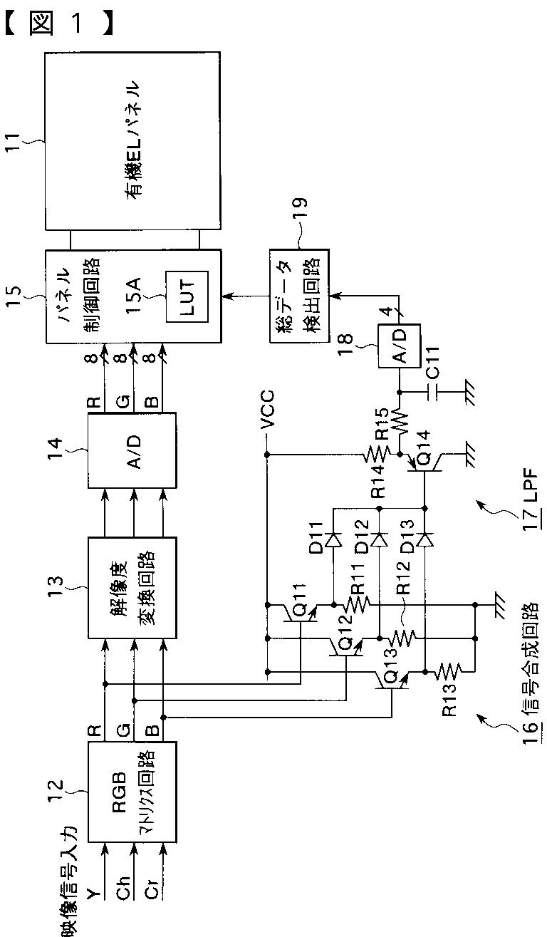
有機EL表示装置およびその制御方法
授权日
2005-09-30
公开(公告)号
JP3724430B2
申请日
2002-02-04
公开(公告)日
2005-12-07
当前申请(专利权)人
ソニー株式会社
发明人
長谷川 洋
简单同族
JP2003228331A | JP3724430B2 | KR101051573B1 | KR1020030066439A | US20030218583A1 | US6980180
简单同族成员数量
6
简单同族被引用专利总数
93
诉讼案件数
0
法律状态/事件
授权 | 权利转移
抱歉,您的浏览器不支持PDF预览,请点击链接下载PDF文件