专利数据库
统计分析
产业报告
专利数据监控
产业人才
行业动态
产业政策法规
维权援助
个人中心
详情
文本
图像
标题
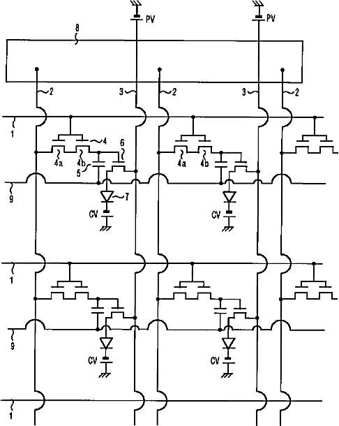
アクティブマトリクス型自発光表示装置及びアクティブマトリクス型有機EL表示装置
授权日
1900-01-01
公开(公告)号
JP2002040963A
申请日
2000-07-31
公开(公告)日
2002-02-08
当前申请(专利权)人
三洋電機株式会社
发明人
古宮 直明
简单同族
CN1244085C | CN1341915A | DE60123344D1 | DE60123344T2 | EP1178463A2 | EP1178463A3 | EP1178463B1 | JP2002040963A | JP3670941B2 | KR100461482B1 | KR1020020010869A | TW514864B | US20020021096A1 | US6509692
简单同族成员数量
14
简单同族被引用专利总数
80
诉讼案件数
0
法律状态/事件
授权
抱歉,您的浏览器不支持PDF预览,请点击链接下载PDF文件