专利数据库
统计分析
产业报告
专利数据监控
产业人才
行业动态
产业政策法规
维权援助
个人中心
详情
文本
图像
标题
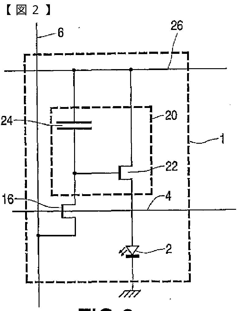
エレクトロルミネセンス表示装置
授权日
2012-05-11
公开(公告)号
JP4982702B2
申请日
2002-11-21
公开(公告)日
2012-07-25
当前申请(专利权)人
奇美電子股▲ふん▼有限公司
发明人
チャイルズ,マーク ジェイ
简单同族
AT406645T | AU2002351032A1 | CN100409297C | CN1605092A | DE60228623D1 | EP1461797A1 | EP1461797B1 | GB0130176D0 | JP2005513536A | JP4982702B2 | KR100932084B1 | KR1020040075005A | TW200307236A | TWI268464B | US20030111964A1 | US6888318 | WO2003052729A1
简单同族成员数量
17
简单同族被引用专利总数
52
诉讼案件数
0
法律状态/事件
未缴年费 | 权利转移
抱歉,您的浏览器不支持PDF预览,请点击链接下载PDF文件