专利数据库
统计分析
产业报告
专利数据监控
产业人才
行业动态
产业政策法规
维权援助
个人中心
详情
文本
图像
标题
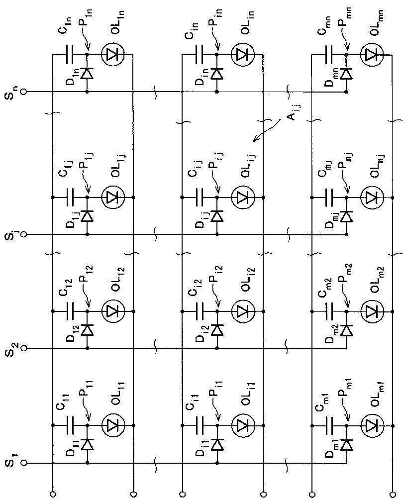
発光器、発光装置、及び表示パネル
授权日
2006-06-30
公开(公告)号
JP3822029B2
申请日
2000-06-07
公开(公告)日
2006-09-13
当前申请(专利权)人
シャープ株式会社
发明人
沼尾 孝次
简单同族
JP2001350431A | JP3822029B2 | US20010054711A1 | US7116293
简单同族成员数量
4
简单同族被引用专利总数
46
诉讼案件数
0
法律状态/事件
期限届满
抱歉,您的浏览器不支持PDF预览,请点击链接下载PDF文件