专利数据库
统计分析
产业报告
专利数据监控
产业人才
行业动态
产业政策法规
维权援助
个人中心
详情
文本
图像
标题
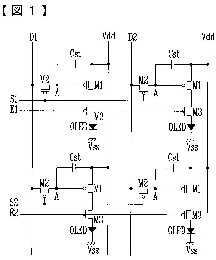
画素回路及び発光表示装置
授权日
2009-09-04
公开(公告)号
JP4368845B2
申请日
2005-11-01
公开(公告)日
2009-11-18
当前申请(专利权)人
三星モバイルディスプレイ株式會社
发明人
郭 源奎 | 朴 星千
简单同族
CN100397463C | CN1790468A | JP2006163371A | JP4368845B2 | KR100604061B1 | KR1020060065084A | US20060139257A1 | US7535447
简单同族成员数量
8
简单同族被引用专利总数
48
诉讼案件数
0
法律状态/事件
授权 | 权利转移
抱歉,您的浏览器不支持PDF预览,请点击链接下载PDF文件