专利数据库
统计分析
产业报告
专利数据监控
产业人才
行业动态
产业政策法规
维权援助
个人中心
详情
文本
图像
标题
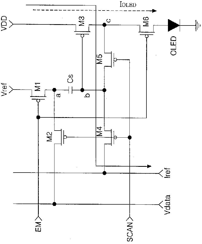
有機発光ダイオード表示素子と、その駆動方法
授权日
1900-01-01
公开(公告)号
JP2007323040A
申请日
2006-11-02
公开(公告)日
2007-12-13
当前申请(专利权)人
エルジー ディスプレイ カンパニー リミテッド
发明人
オヒョン·キム | フンジョ·チョン | ミョンフン·ジョン
简单同族
DE102006057537A1 | DE102006057537B4 | DE102006057537B9 | JP2007323040A | JP4914177B2 | KR101194861B1 | KR1020070115261A | US20070279337A1 | US7724218
简单同族成员数量
9
简单同族被引用专利总数
92
诉讼案件数
0
法律状态/事件
授权
抱歉,您的浏览器不支持PDF预览,请点击链接下载PDF文件