专利数据库
统计分析
产业报告
专利数据监控
产业人才
行业动态
产业政策法规
维权援助
个人中心
详情
文本
图像
标题
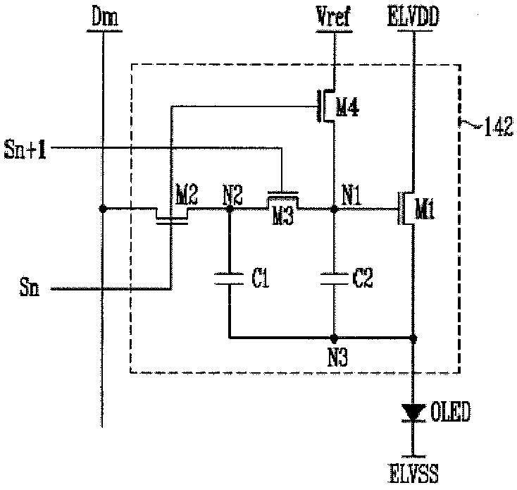
有機電界発光表示装置
授权日
1900-01-01
公开(公告)号
JP2010231176A
申请日
2009-09-08
公开(公告)日
2010-10-14
当前申请(专利权)人
三星モバイルディスプレイ株式會社
发明人
崔 相武 | 姜 哲圭 | 金 襟男
简单同族
CN101847363A | CN101847363B | EP2234093A1 | EP2234093B1 | JP2010231176A | JP5065351B2 | KR101056302B1 | KR1020100107654A | US20100245402A1 | US8531358
简单同族成员数量
10
简单同族被引用专利总数
48
诉讼案件数
0
法律状态/事件
未缴年费 | 权利转移
抱歉,您的浏览器不支持PDF预览,请点击链接下载PDF文件